Snižte si náklady za elektřinu, topení i teplou vodu až o 75 %. Pomůžeme vám optimalizovat provoz hal, kanceláří i skladů díky fotovoltaice, tepelným čerpadlům a systému EPC – včetně dotací a kompletní realizace.

“Práce byly provedeny řádně, odborně a ve vysoké kvalitě.”
Jiří Sakovič, Česká pošta a.s.

Můžete snížit své náklady za energie až o 70 %. A tím získat náskok před konkurencí a zároveň být firmou 21. století.

Můžete snížit své náklady za energie až o 75 %. Můžete bydlet moderněji a pohodlněji. Můžete zvýšit hodnotu celého domu.

Využití potenciálu obecních střech a komunitní energie nikdy nebylo snadnější. Ozvěte se a my pro vás vše připravíme a zařídíme.

Návrh, příprava, distributor a dotační řízení. To vše pro Vás zařídíme, abyste měl ze svého bydlení dobrý pocit nejen v obýváku, ale i v peněžence.
Česká pošta
Obec Tvarožná
LIDL
Divadlo pod
Palmovkou
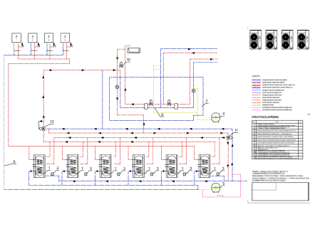
Zajímá Vás, zda Vaše myšlenka odpovídá skutečnosti? Pak se pohodlně usaďte a pročtěte si následující studii na ohřev teplé vody v panelovém domě pro 180 bytů.
Dvakrát měř, jednou řež. To samé platí pro projektovou přípravu. Proto našim klientům doporučujeme zaplatit si projektovou přípravu, která zpravidla stojí 5-10% z ceny projektu, ale uspoří mnohdy až 40 % zbytečných nákladů. A co víc! Pokud si projekt objednáte u nás, dáme Vám slevu na práce při realizaci. A to se vyplatí!
Kabelové trasy, úpravy rozvaděčů, komunikace s distributorem elektřiny, jednání s teplárnou anebo se stavebním úřadem. To vše umíme pro vás v rámci projektu zařídit.
Zjistíme co je cílem, prohlédneme si místo instalace, seznámíme se s technickými možostmi.
Ukážeme Vám první ukázku, jak by mohla vypadat realizace. Její varianty, cenu a předpoklady.
Připravíme nabídku, odsouhlasíme si cenu, jednotlivé kroky a účastníky.
Vstupní a výstupní dokumenty pro komunikaci s úřady. Projektové dokumenty pro realizační týmy
Součástí projektové přípravy je splnění všech potřebných norem a bezpečnostních opatření
Provedeme instalaci, zkontrolujeme funkčnost, zajistíme revizi, předáme dokumenty a především Vás proškolíme pro bezpečné a funkční užívání.
Zajistíme pro Vás pravidelný servis a monitoring chodu a efektivity Vaší instalace.
Generálního dodavatel staveb
Jsme součástí firmy, která má zkušenosti s řízením staveb od roku 2009
Na příjmu býváme každý pracovní den od 09:00 do 17:00hod

Zákaznické centrum
*Uveďte prosím všechny povinné údaje
Kontaktní údaje použijeme pouze pro komunikaci s vámi. Odesláním kontaktního formuláře souhlasíte se zpracováním osobních údajů.